电源管理芯片在跑步机中的应用
跑步是一项全民性的健身运动,跑步机作为一种现代化健身器材,已经越来越多地融入到人们的日常生活当中。

一、微盟产品在跑步机中的应用到的AC-DC部分型号
将市电(国内220Vac)转换为控制电路所需的直流电压(比如3.3V、5V、12V、24V等)作为MCU、传感器、继电器、显示屏等模块提供稳定的直流电。
微盟电子推出的ME8132、ME8133、ME8123系列,作为高性能电流模式SSR/PWM控制器,内置650V功率MOSFET,具有uA级启动电流和极低的待机功耗,其中ME8132集成了一个电流舵型的电荷泵实现驱动速度的自适应调整,以优化EMI和降低相应器件应力。提供内置2.3Ω/650V、1.05Ω/650V等版本可以满足40W以内的不同需求。
二、微盟产品在跑步机中的DC-DC降压、LDO、锂电充电/保护等模块部分型号
为提供不同模块电压输出需求以及备用电池模块相应产品需求,微盟电子推出多种参数DC/DC降压、LDO、充电管理、锂电保护等产品。
DC-DC降压模块型号推荐
ME3100/ME3120电流模同步降压DC/DC转换器,输入电压范围从2.5V到6V,典型带载分别为1.2A/2A,工作频率1.5MHz(典型值),PFM/PWM自动切换,100%占空比。
内部集成了功率PMOS管和同步NMOS整流管,最小化了外部元件以及实现高效率,并且具有输出快速放电功能。ME3100/ME3120具有丰富的保护电路可以确保系统的安全工作。

ME3182是耐压18V高效率同步降压DC/DC转换器,典型带载2A,工作频率650KHZ,采用自适应恒定导通时间控制架构,具有较快对的负载瞬态响应。
LDO降压模块型号推荐
ME6839,是一款低压线性稳压器,具有24V耐压输入,最大负载电流300mA、2.5uA静态电流、高PSRR、带使能脚等特点。
ME6811低压线性稳压器,具有最大8V耐压输入,最大负载电流500mA、低静态功耗、高PSRR、带使能脚等特点。
充电管理、锂电保护模块型号推荐
ME4086E,是一款具有恒压恒流模式锂电池充电管理芯片,耐压24V,提供三串12.6V,采用电流模式PWM降压型控制结构,为备用电池组提供微型、简单、高效的充电解决方案。

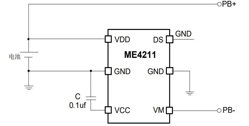
ME4211系列IC,是一款单节锂离子/锂聚合物电池保护IC,内置高精度电压检测电路和延时电路,适合对单节可再充电锂离子/锂聚合物电池的过充电、过放电、过电流、电池反接、充电器反接、过热等进行保护;芯片工作电压1.5V~5V,内置低阻抗的MOS,正常工作时3.0uA的低静态电流。

三、贝岭产品在跑步机中的应用型号推荐
贝岭IGBT
贝岭推出系列IGBT电流覆盖5A-275A,电压包含650V-1200V以及多种封装、参数供客户选择,可应用于电机驱动、逆变、调速器等模块。比如BLG10T65FDL(10A/650V)、BLG20T65FDLA(20A/650V)等等均大量成熟应用于各领域。
贝岭表计芯片
贝岭推出系列用于电表计量专用芯片。具有体积小,外围电路简单,成本低廉等特点可为跑步机提供精准的电量显示。比如BL0937B、BL0942等应用于各种需要电量计量产品。
- Robo.ai达成1.8亿美元融资协议并完成首期交割,加速构建全球人工智能机器人网络
- Cincoze高效能扩展型DIN-Rail嵌入式工控机(MD-3000系列)
- 雷达供电系统专用高可靠DC-DC模块电源技术规范与选型分析
- 国产离轴芯片标杆!MT6728:21位高分辨率+自校准,离轴也精准
- 士兰微电子加入OCTC开放计算标准工作委员会
- 深入剖析ADS7844:高性能12位8通道串行输出ADC
- 南德议质 │ TÜV南德与山东省外贸集团达成战略合作,共绘蓝图
- 深入剖析ADS1243:高精度24位模数转换器的卓越之选
- 森木磊石持续赋能AI工业化场景落地,助力电力电子行业智能化发展
- 免停电接线的电能质量在线监测装置的安装和调试复杂吗?
- 已获法院受理立案!国产激光雷达芯片知识产权第一案!(速腾聚创 灵明光子为何反目?)
- 看得见的精准管控,看不见的持续降耗 ——Acrel-EIOT平台
- 工业富联:调整回购股份价格上限至不超过75元/股
- ADS5444 13位250 MSPS模数转换器数据手册
- DeviceNet转ProfiNet协议转换网关实现西门子1200 PLC与模拟量 I/O 模块通讯在物流与仓储系统的应用案例
- 智慧光迅光赋AI活动武汉站成功举办