无法接触顶部反馈电阻时的环路响应测量方案
为使电源稳定,需要一定的增益和相位裕量。通常,电源若具有至少45°的相位裕量和至少10 dB的增益裕量,便可视为稳定。为了测量这些值,通常要在 VOUT节点和顶部反馈电阻之间插入一个小电阻,然后在这个增加的电阻两端施加一个扰动信号,并在期望的频率范围内测量环路响应。如果用户能够接触到顶部反馈电阻,这种常规方法会很简便,因此很常用。
但是,如果用户无法接触模塑模块内的顶部反馈电阻,该如何测量环路响应?如果器件不需要顶部反馈电阻,而是使用输出电压检测引脚,又该如何测量环路响应?对于这两个问题,通过比较常规测量方法和新型测量方法的环路响应波特图,可以给出解答。
顶部反馈电阻位于何处?
如图1所示,测量环路响应的常规方法是在 VOUT节点和顶部反馈电阻之间插入一个小值电阻。只有用户可以接触到顶部反馈电阻时,才能使用这种方法。

图1. 原理图:使用LT8608测量环路响应时,需要外加电阻。
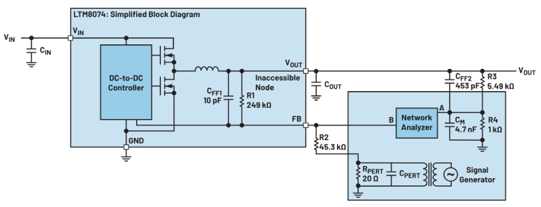
许多电源模块的顶部反馈电阻位于电源封装内部,无法接触。若将顶部反馈电阻硬连线到VOUT节点,则输出电压绝不会超过反馈电阻分压器设定的电压。如果顶部反馈电阻不是硬连线,在降压型稳压器中,一旦该电阻连接不当或发生故障,则VOUT节点电压可能会升高到与输入电压一样高。ADI公司的许多µModule器件都将顶部反馈电阻模塑在模块内部,以提供额外的保护。但这样一来,便无法用常规方法测量环路响应。图2显示了LTM8074及其无法接触的顶部反馈电阻。
图2. 示例电路:用户无法接触顶部反馈电阻。
另一种特殊情况是模块使用输出电压检测引脚(VOSNS)来调节VOUT电压。如图3中的简化框图所示,由于该设置使用基准电流源,而不是通常的基准电压源,因此没有顶部反馈电阻。LTM4702使用该基准电流电路来调节输出电压。

图3. 显示VOSNS电路的简化框图。
负载瞬态响应还是波特图?
如果没有办法测量电源的环路响应,就必须完全依靠系统的瞬态响应来确定稳定性。瞬态响应测试用于检查在 VOUT节点施加负载阶跃时VOUT的电压响应。瞬态响应示例如图4所示。根据波形,通过测量从施加负载阶跃到输出电压开始恢复的时间,可以估算带宽(ƒBW)。控制环路的带宽等于该恢复时间(tr)与∏乘积的倒数。在此示例中,恢复时间约为4 µs,带宽为80 kHz。

图4. 瞬态响应示例。
此外,通过观察波形的形状也可以评估系统的稳定性。如果在波形中看到振铃(绿色响应曲线),则表示系统具有欠阻尼响应。这意味着系统可能不稳定,相位裕量较低。但相位裕量有多低呢?
如果波形的恢复时间相当长,则可以认为系统具有过阻尼响应(蓝色响应曲线)。系统输出电压的恢复时间可能比预期时间要长得多。由于电压下降持续时间超过预期,下游电路可能会受到影响。
虽然通过瞬态响应可以了解有关系统环路响应的一些信息,但确切的相位裕量和增益裕量只能通过测量来确定。
测量环路稳定性的新方法
对于使用输出电压检测引脚的情形,环路响应测量与常规测量方法类似。只需在 VOUT节点和 VOSNS引脚之间放置一个小值电阻即可。如图3所示,将扰动信号施加于该电阻,然后测量环路响应。
对于顶部反馈电阻位于模块内部而无法接触的情形,采用新型环路测量技术时需要格外小心。如图5所示,必须安装一个并联电阻分压网络,并将扰动信号置于底部反馈电阻和地之间插入的电阻上。务必使并联电阻分压网络尽可能靠近反馈电阻网络,以尽量减少误差。

图5. 新型环路响应测量方法
第1步:
在R2和地之间插入20 Ω RPERT电阻。将扰动信号施加于 RPERT。
第2步:
选择R4,其值应在500 Ω至1 kΩ范围内。见注释1。
第3步:
计算并联电阻分压网络比率。n = R2/R4。
第4步:
使用第3步中的比率n计算R3和CFF2。
第5步:
重新构建包括前馈电容和电容CM的并联电阻分压网络,以消除扰动信号带来的附加电容的影响。见注释2。
公式:
1. n = R2/R4
2. R3 = R1/n
3. CFF2= n × CFF1
4. CM= n × CPERT
注释1:
选择R4,使得R2比R4大40到100倍。这样,由R2和R3组成的电阻网络将在反馈环路的测量中起主导作用。
注释2:
如果无法可靠地测量扰动信号的寄生电容,可以通过迭代试验的方式,凭借经验确定CM电容。
新型测量方法产生的环路响应与常规方法相同,如图6所示。

图6. 常规测量方法和新型方法的波特图比较。
结语
借助这种新型测量方法,用户现在无需接触顶部反馈电阻即可确定环路响应。用户不再需要使用带宽有限且误差较大的低效方法,也不必仅依赖负载瞬态响应来评估环路稳定性。
- 东阳光拿到金额最高190亿算力大单 东莞首富抢占AI产业风口
- 五家上市险企一季度新业务价值普涨 是否已进入新一轮修复周期?
- 社保基金一季度持仓大盘点!重仓50强名单出炉 多只龙头被长期持有超10年
- 大反弹!A股悄然收复4100点 这波行情究竟在“涨”什么?
- 游族网络财报:海外收入占比创新高,AI赋能驱动盈利能力全面提升
- 兴业聚鑫灵活配置混合A:2026年第一季度利润205.23万元 净值增长率1.19%
- 4月29日北向资金最新动向(附十大成交股)
- 【风口研报】龙头业绩超预期加重要大会催化 创新药板块景气度有望持续上行
- 华为昇腾产业链爆发!最全名单来了
- 广发策略:公募基金加仓思路 围绕景气预期改善方向集中配置
- 牛散“鑫多多”现身“妖股”?持股超7亿元 公司连年亏损
- 财报观察室丨口子窖净利润创10年新低,高端酒持续萎缩
- 中办、国办印发《碳达峰碳中和综合评价考核办法》
- 中际旭创市值首破万亿,一年涨超10倍,公募基金头号重仓股
- 午后突变!致尚科技垂直20%涨停!A50直线拉升!
- 建信信息产业股票A:2026年第一季度利润2287.37万元 净值增长率5.22%